Danh sách ứng dụng giới hạn nhiệt độ
Chất liệu Nhiệt độ trung bình oC Chất liệu Nhiệt độ trung bình oC
PVC-C -20oC~ 95oC PVC-U -5oC~ 45oC
FRPP -20oC~ 120oC PPH -20oC~ 110oC
PVDF 40oC ~ 150oC

Sản phẩm cấu trúc đặc biệt

1. Da: PVC-U có khối lượng chỉ bằng 1/10 khối lượng nên dễ vận hành, lắp đặt, giảm chi phí.
2. Khả năng kháng hóa chất vượt trội: PVC-U có khả năng kháng axit và kiềm tuyệt vời, ngoại trừ axit và kiềm mạnh gần điểm hòa của chúng.
3. Bền bỉ: PVC-U có khả năng chịu đựng thời tiết tuyệt vời và chống lại sự ăn mòn của vi khuẩn và nấm.
4. Không dẫn điện: PVC-U không dẫn điện và không dễ bị ăn mòn bởi phân tích điện hoặc dòng điện, loại bỏ nhu cầu xử lý cấp hai. Nó không hỗ trợ quá trình đốt cháy và không hỗ trợ quá trình đốt cháy, loại bỏ lo lắng về an toàn cháy nổ.
5. Điện chuyển trở xuống thấp và tốc độ cao: Thành phần nhẹ nhàng giúp giảm thiểu thoát khỏi dòng chất liệu và bụi bẩn ít bám vào bề mặt ống nước, giúp bảo trì trở nên đơn giản và tiết kiệm chi phí.
6. Khối thiết lập dễ dàng và chi phí thấp: Công việc cắt và kết nối rất đơn giản. Keo PVC đã được chứng minh là an toàn, đáng tin cậy, dễ sử dụng và tiết kiệm chi phí.

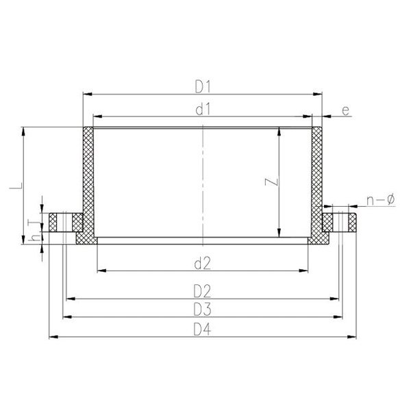
Mặt trống Vanstone PVC-U

DN D1 D2 D3 D4 d1 d2 L T h Z n-Φ
15 27 59 70 95 20 18 22 16 1.5 16 4-Φ15X20.5
20 32 70 75 105 25 23 25 18 1.5 19 4-15X17,5
25 40 79 90 125 32 29 28 18 1.5 22 4-Φ15X20.5
32 50 89 100 140 40 36 31.5 20 1.5 26 4-Φ18X24.5
4 61 98 110 150 50 4 37 20 2 31 4-Φ18X24
50 75 120 125 165 63 58 44 25 2 38 4-Φ18X20.5
65 88 140 145 185 75 69 50 25 2 44 4-Φ18X20.5
80 105 150 160 200 90 84 57 26 2.5 51 8-Φ18X23
100 127 175 190.5 229 110 105 67 26 2.5 61 8-Φ18X26
125 161 210 250 140 130 84 28 12.5 77 8-Φ19
150 182 240 285 160 150 93 31 12.5 85 8-Φ23
200 249 295 339 225 215 127 36 16 119 8-Φ23X25
200 254 295.8 341 225 215 127 33.1 16 119 12-Φ22
250 308 350 395 280 267 154 40.5 16.5 144 12-Φ23
300 346 400 445 315 305 170 43 18 160 12-Φ23
350 395 460 505 355 340 176 43 16 164.5 16-Φ23
400 442 515 570 400 382 219 43 22 200 16-Φ27
450 494 565 625 450 430 220 40 27 210 20-Φ26
500 548 620 670 500 475 210 43 25 185 20-Φ27
Tin nhắn phản hồi
Về chúng tôi
Kaixin Pipeline Technologies Co., Ltd.
Được thành lập vào năm 1999, Kaixin Pipeline Technologies Co., Ltd. là một doanh nghiệp công nghệ cao tích hợp R & D, sản xuất, bán hàng và dịch vụ. Công ty nắm giữ nhiều chứng chỉ uy tín, bao gồm Doanh nghiệp công nghệ cao quốc gia, Doanh nghiệp vừa và nhỏ chuyên biệt và tinh vi “Little Giant”, Nhà vô địch sản phẩm đơn quốc gia (Trồng trọt), Doanh nghiệp vừa và nhỏ dựa trên công nghệ cấp tỉnh, Doanh nghiệp vừa và nhỏ chuyên biệt và tinh vi ở Ninh Ba, Nhà vô địch sản phẩm đơn lẻ Ninh Ba (Trồng trọt), Trung tâm R&D công nghệ ống và van polyme Ninh Ba, Nhà máy xanh cấp huyện, Doanh nghiệp đổi mới quản lý bốn sao Ninh Ba và Năng lực quản lý dữ liệu doanh nghiệp Cấp độ trưởng thành 2.
Chúng tôi chuyên phát triển, sản xuất và cung cấp các sản phẩm chống ăn mòn phi kim loại cho các ứng dụng hóa học, bao gồm van nhựa, đường ống, phụ kiện đường ống và máy bơm chống ăn mòn. Danh mục sản phẩm của chúng tôi bao gồm các vật liệu như PVC-C, PVC-U, PVDF, PPH và FRPP, với đầy đủ chủng loại và thông số kỹ thuật. Đáng chú ý, van bướm của chúng tôi có thể đạt đường kính DN1000, trong khi đường ống và phụ kiện có đường kính lên tới DN800, giải quyết các khoảng trống thị trường và duy trì lợi thế cạnh tranh của chúng tôi trong ngành.
Được hướng dẫn bởi nguyên tắc “Dựa trên công nghệ, theo kịp thời đại”, Kaixin phân bổ gần 10 triệu RMB hàng năm cho hoạt động R&D. Chúng tôi đảm bảo chất lượng sản phẩm vượt trội thông qua quy trình sản xuất tự động được tiêu chuẩn hóa và tìm nguồn cung ứng nguyên liệu thô nhập khẩu nghiêm ngặt. Phù hợp với chiến lược phát triển quốc tế của mình, chúng tôi liên tục theo dõi xu hướng thị trường toàn cầu và tận dụng các kênh kỹ thuật số để mang đến những sản phẩm “Sản xuất tại Trung Quốc” chất lượng cao cho khách hàng trên toàn thế giới.
Ninh Ba • Cơ sở sản xuất & R&D Fenghua
Với tổng vốn đầu tư 200 triệu RMB, Công ty TNHH Công nghệ ống siêu tinh khiết Kaixin (Ningbo) đã thành lập một phòng thí nghiệm vật liệu mới với sự cộng tác của các trường đại học và viện nghiên cứu, xây dựng cơ sở sản xuất hiện đại và lắp đặt 8 dây chuyền sản xuất hoàn toàn tự động cho nhựa biến tính và 8 dây chuyền cho vật liệu polymer. Cơ sở này được dành riêng cho hoạt động R&D, sản xuất và ứng dụng các loại nhựa và vật liệu polyme biến tính mới. Kaixin cũng cam kết thu hút nhân tài hàng đầu trong các lĩnh vực, liên tục thúc đẩy đổi mới sản phẩm và phát triển thương hiệu, với mục tiêu trở thành công ty dẫn đầu được công nhận trên toàn cầu về R&D và sản xuất van, ống và phụ kiện polymer.
Giấy chứng nhận danh dự
  • honor
  • honor
  • honor
  • honor
  • honor
  • honor
  • honor
  • honor
  • honor
Tin tức