Ổ cắm đa năng PVC-U DN15-600 1/2 "-24" Tiêu chuẩn ANSI

Phụ kiện ống bước có ổ cắm đa năng PVC-U màu xám đậm mới được sử dụng phổ biến, DN15-DN600, cho các ứng dụng hóa chất và vệ sinh, tiêu chuẩn ANSI SCH80
Xuất xứ: Trung Quốc
Tên thương hiệu: KXPV
Chất liệu: Nhựa
Quá trình: Giả mạo
Kết nối: Ổ cắm
Dạng hình: Bằng nhau
Mã đầu: Bản đồ
Màu sắc:Màu đậm
Kích thước: DN15-DN600
ứng dụng: Công nghiệp
Bao bì: Thùng carton
Áp dụng công việc: 1 MPa
Thời gian giao hàng: 7 ngày
Số lượng đặt hàng tối thiểu: 1 Chiếc

Danh sách ứng dụng giới hạn nhiệt độ
Chất liệu Nhiệt độ trung bình oC Chất liệu Nhiệt độ trung bình oC
PVC-C -20oC~ 95oC PVC-U -5oC~ 45oC
FRPP -20oC~ 120oC PPH -20oC~ 110oC
PVDF 40oC ~ 150oC

Sản phẩm cấu trúc đặc biệt

1.Trọng lượng nhẹ: Chất liệu PVC-U có trọng lượng chỉ bằng 1/10 nên giúp vận chuyển và lắp đặt dễ dàng nên giảm chi phí.
2. Kháng hóa chất tuyệt vời: PVC-U có khả năng chống axit và kiềm tuyệt vời, ngoại trừ các axit và bazơ mạnh gần bão hòa.
3.Bền: PVC-U có khả năng chống chịu thời tiết vượt trội và không dễ bị vi khuẩn hoặc nấm ăn mòn.
4.Không dẫn điện: Vật liệu PVC-U không dẫn điện, cũng không bị ăn mòn bởi dòng điện, do đó loại bỏ nhu cầu xử lý cấp hai. Nó không hỗ trợ quá trình đốt cháy và không hỗ trợ quá trình đốt cháy nên không có cơ chế đốt cháy.
5. Điện trở xuống thấp, tốc độ chuyển cao: Thành phần bên trong giảm thiểu thất thoát dòng chất liệu và bụi nguy hiểm không dễ bám vào bề mặt ống nước, giúp bảo trì dễ dàng hơn và giảm chi phí bảo trì.
6. Xây dựng dễ dàng, chi phí thấp: Công việc cắt và nối ống PVC-U rất đơn giản. Kết nối keo PVC đã được chứng minh là an toàn, đáng tin cậy, dễ vận hành và tiết kiệm chi phí.

mặt đất UPVC

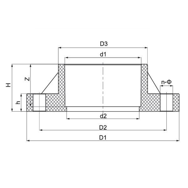
Đặc điểm kỹ thuật D1
(mm)
D2
(mm)
D3
(mm)
d1
(mm)
d2
(mm)
H
(mm)
h
(mm)
Z
(mm)
n-Ф
(mm)
1/2"(15) 89 60 31.5 21.34 18 27 16 22.5 4-Ф16
3/4"(20) 95 70 37 26.67 23 30.5 18 25.5 4-Ф16
1"(25) 108 79 45 33.4 29 34.5 18 29 4-Ф16
1¼"(32) 117 89 54.5 42.16 38 37.5 18 32 4-Ф16
1½"(40) 127 98 61 48.26 44 40.5 20 35 4-Ф16
2"(50) 152 121 74 60.32 55 44.5 20 38.5 4-Ф19
2½"(65) 178 140 90 73.02 68 51 20 45 4-Ф19
3"(80) 191 152 107 88.9 83 54.5 21 48 4-Ф19
4"(100) 229 191 134 114.3 109 64 24 57.5 4-Ф19
5"(125) 254 216 163 141.3 134 73.5 25 67 8-Ф22
6"(150) 279 241 192 168.28 160 83.5 25 76.5 8-Ф22
8"(200) 343 299 247 219.08 210 109 29 102 8-Φ22

Tin nhắn phản hồi
Về chúng tôi
Kaixin Pipeline Technologies Co., Ltd.
Được thành lập vào năm 1999, Kaixin Pipeline Technologies Co., Ltd. là một doanh nghiệp công nghệ cao tích hợp R & D, sản xuất, bán hàng và dịch vụ. Công ty nắm giữ nhiều chứng chỉ uy tín, bao gồm Doanh nghiệp công nghệ cao quốc gia, Doanh nghiệp vừa và nhỏ chuyên biệt và tinh vi “Little Giant”, Nhà vô địch sản phẩm đơn quốc gia (Trồng trọt), Doanh nghiệp vừa và nhỏ dựa trên công nghệ cấp tỉnh, Doanh nghiệp vừa và nhỏ chuyên biệt và tinh vi ở Ninh Ba, Nhà vô địch sản phẩm đơn lẻ Ninh Ba (Trồng trọt), Trung tâm R&D công nghệ ống và van polyme Ninh Ba, Nhà máy xanh cấp huyện, Doanh nghiệp đổi mới quản lý bốn sao Ninh Ba và Năng lực quản lý dữ liệu doanh nghiệp Cấp độ trưởng thành 2.
Chúng tôi chuyên phát triển, sản xuất và cung cấp các sản phẩm chống ăn mòn phi kim loại cho các ứng dụng hóa học, bao gồm van nhựa, đường ống, phụ kiện đường ống và máy bơm chống ăn mòn. Danh mục sản phẩm của chúng tôi bao gồm các vật liệu như PVC-C, PVC-U, PVDF, PPH và FRPP, với đầy đủ chủng loại và thông số kỹ thuật. Đáng chú ý, van bướm của chúng tôi có thể đạt đường kính DN1000, trong khi đường ống và phụ kiện có đường kính lên tới DN800, giải quyết các khoảng trống thị trường và duy trì lợi thế cạnh tranh của chúng tôi trong ngành.
Được hướng dẫn bởi nguyên tắc “Dựa trên công nghệ, theo kịp thời đại”, Kaixin phân bổ gần 10 triệu RMB hàng năm cho hoạt động R&D. Chúng tôi đảm bảo chất lượng sản phẩm vượt trội thông qua quy trình sản xuất tự động được tiêu chuẩn hóa và tìm nguồn cung ứng nguyên liệu thô nhập khẩu nghiêm ngặt. Phù hợp với chiến lược phát triển quốc tế của mình, chúng tôi liên tục theo dõi xu hướng thị trường toàn cầu và tận dụng các kênh kỹ thuật số để mang đến những sản phẩm “Sản xuất tại Trung Quốc” chất lượng cao cho khách hàng trên toàn thế giới.
Ninh Ba • Cơ sở sản xuất & R&D Fenghua
Với tổng vốn đầu tư 200 triệu RMB, Công ty TNHH Công nghệ ống siêu tinh khiết Kaixin (Ningbo) đã thành lập một phòng thí nghiệm vật liệu mới với sự cộng tác của các trường đại học và viện nghiên cứu, xây dựng cơ sở sản xuất hiện đại và lắp đặt 8 dây chuyền sản xuất hoàn toàn tự động cho nhựa biến tính và 8 dây chuyền cho vật liệu polymer. Cơ sở này được dành riêng cho hoạt động R&D, sản xuất và ứng dụng các loại nhựa và vật liệu polyme biến tính mới. Kaixin cũng cam kết thu hút nhân tài hàng đầu trong các lĩnh vực, liên tục thúc đẩy đổi mới sản phẩm và phát triển thương hiệu, với mục tiêu trở thành công ty dẫn đầu được công nhận trên toàn cầu về R&D và sản xuất van, ống và phụ kiện polymer.
Giấy chứng nhận danh dự
  • honor
  • honor
  • honor
  • honor
  • honor
  • honor
  • honor
  • honor
  • honor
Tin tức